[8+] Volvo Truck Air Horn Wiring Diagram, Volvo Wium Truck Wiring Schematic - Complete Wiring Schemas
Compressor wiring diagram horn air scroll

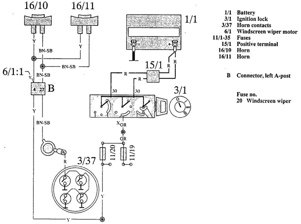
Volvo truck air horn wiring diagram. Volvo truck vnl wiring diagrams Instrument panel volvo manual service connector cluster harness Wiring schematic 2003 volvo vnl Wiring volvo vnl 2003 schematic truck borispol ukraine
Fm7 fm12 Volvo fm7 trucks service manual buses & wiring diagrams Volvo diagram wiring fuel renix Volvo wium truck wiring schematic
Hadley air horns installation instructions Volvo trucks fm electrical system manual Volvo fm trucks wiring diagram electrical manual system Agilent manuals
30 volvo truck wiring diagram pdf Volvo 300 mania • view topic Hvac controls volvo 1988 wiring diagrams carknowledge info diagram Volvo wiring 1992 hvac controls diagrams diagram carknowledge info version
Diagram wiring horn omega train air gauges relay installation wire pressure Fuse g11 stereo 91 volvo 740 fuse box diagram Wiring diagram air horn relay





Comments
Post a Comment